Датчик скорости автомобиля (ДСА)
Датчик скорости автомобиля (сокращённо ДСА) предназначен для передачи импульсов текущей скорости автомобиля на контроллер. Контроллер в свою очередь с помощью импульсов датчика скорости контролирует работу двигателя на холостом ходу, и с помощью РХХ регулирует подачу воздуха в обход дроссельной заслонке. Частота сигнала датчика скорости прямо пропорциональна текущей скорости автомобиля.
Так же стоит отметить, что рабочий датчик экономит наше топливо следующим образом:
1)Контроллер получает следующие данные от датчика скорости: текущая скорость 100км/ч.
2)Контроллер получает данные от ДПДЗ: датчик положения закрыт (не жмём на педаль газа)
На основании полученных данных, контроллер воспринимает данную ситуацию как «торможение двигателем», и отключает систему подачи топлива. Иными словами, при закрытом дросселе, контроллер не даёт подачу топлива до 20км/ч. И это далеко не единственная функция датчика скорости.
Как датчик скорости определяет текущую скорость автомобиля? Как упоминалось ранее, датчик скорости передаёт импульсы (6004 импульса на 1 км). Исходя из этого соотношения, можно вычислить скорость по временному интервалу между импульсами датчика. По мимо контроллера, импульсами датчика пользуется спидометр автомобиля, где и отображается скорость.
В автомаркете АвтоZIP представлены: Калина, Приора , с квадратным разъемом , с круглым разъемом
Техническая справка от СтартВОЛЬТ об отличиях между датчиками скорости для а/м Калина и а/м Приора/Гранта
Как ни удивительно, на автомобили ВАЗ 1117-1119 «Калина» устанавливались три разных датчика скорости. Все три предлагаемых нашей Компанией датчика скорости на эти автомобили невзаимозаменяемы по своим конструктивным особенностям. Все три типа датчика были разработаны и поставлялись для ОАО «АвтоВАЗ» тремя производителями в трёх разных исполнениях. Как по своим техническим свойствам, так и по конструктивному исполнению данная серия датчиков принципиально отличается друг от друга. В отдельных случаях даже простая установка «неверного» типа датчика скорости в коробку автомобиля, где применяется другой тип, будет невозможна. Такая же ситуация сложилась и с «Приорой» и «Грантой». Несмотря на то, что датчик скорости для автомобилей ВАЗ 2170-2172 «Приора» применяется также и на ВАЗ 2190, 2191 «Гранта», типов такого датчика также три. Для потребителей важно учитывать данный момент при приобретении того или иного датчика. Иного способа определить требуемый датчик кроме как по оригинальному коду к сожалению нет.
Далее мы представляем конструктивное описание всех 6 датчиков скорости к данной технической справке.
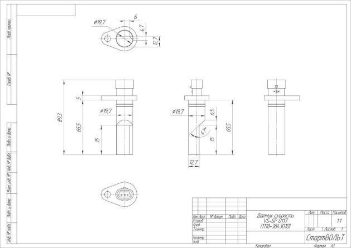
1. Датчик скорости 11180-3843010-00.
Применяемость: автомобили ВАЗ 1117-1119 «Калина».
Установочные размеры датчика:
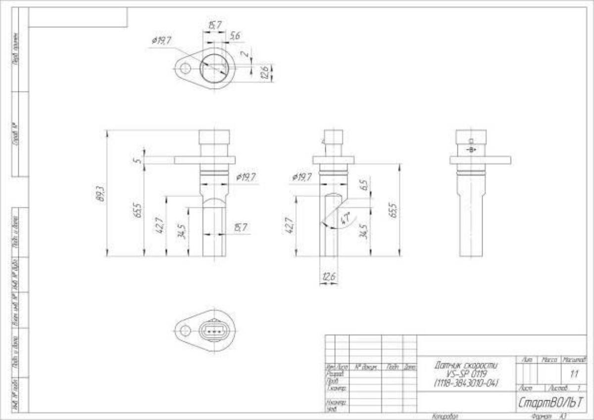
2. Датчик скорости 11180-3843010-02.
Применяемость: автомобили ВАЗ 1117-1119 «Калина».
Установочные размеры датчика:
3. Датчик скорости 11180-3843010-04.
Применяемость: автомобили ВАЗ 1117-1119 «Калина» до 2010 г.в.
Установочные размеры датчика:
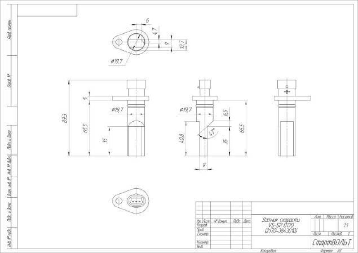
4. Датчик скорости 21700-3843010-00.
Применяемость: автомобили ВАЗ 2170-2172 «Приора».
Установочные размеры датчика:
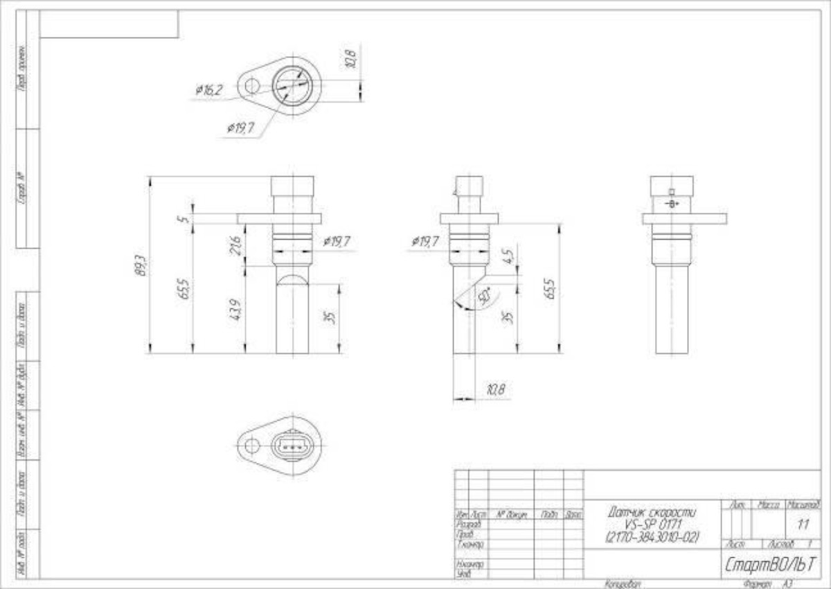
5. Датчик скорости 21700-3843010-02.
Применяемость: автомобили ВАЗ 2170-2172 «Приора».
Установочные размеры датчика:
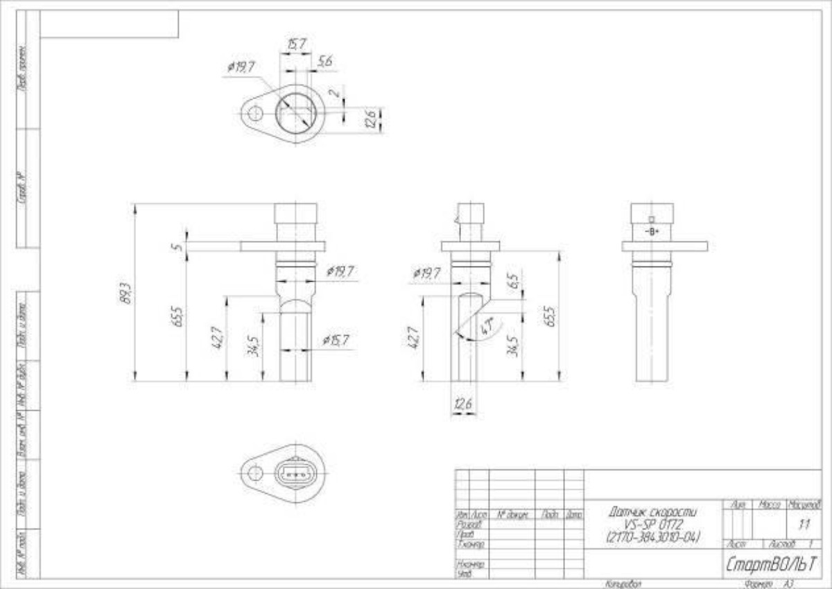
6. Датчик скорости 21700-3843010-04.
Применяемость: автомобили ВАЗ 1117-1119 «Калина» с 2010 г.в., ВАЗ 2170-2172 «Приора», ВАЗ 2190-2192 «Гранта».
Установочные размеры датчика:
Оригинал статьи здесь






